← 제품 목록으로
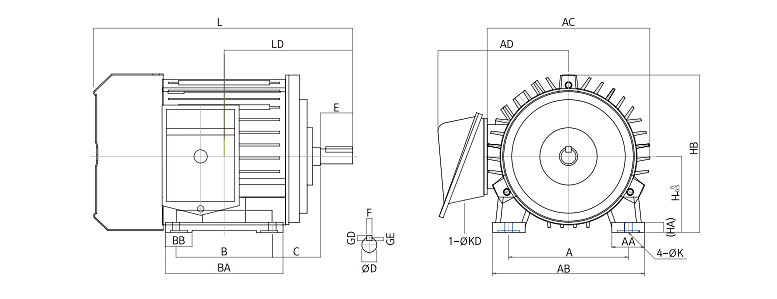
모터
유도전동기
유도전동기
제품 특징
- •국내 및 국제규격(KS, JIT, IEC, NEMA) 준수
- •대륜산업(주)의 “Life Line T”라인에서 설계 시험-안전 시험-내구성 시험을 거친 고효율 전동기
- •전문기관의 품질 검증 완료
- •· 공인기관(KTC, 한국에너지공단)의 품질시험 검증
- •· 대륜산업(주)의 22년 Fan Sets 생산, 원천기술로 설계
- •· 높은 효율, 정밀 가공, 유연한 호환성으로 편리성을 높인 저비용 전동기
용도
- ✓NEMA DESIGN B 또는 NEMA DESIGH C Toque Motor
- ✓프리미엄 에너지 관리공단 인증 높은 신뢰성을 요하는 저비용 설비
- ✓Fan, Blower, Pump, Compressor, Conveyor, 공작기계, 소방펌프, 건조시스템, 공조시스템



